产品展示
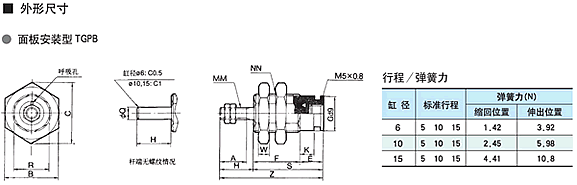
TGP系列,天工STNC,气缸
首页 / 产品中心 / STNC气源处理元件
产品标题:TGP系列,天工STNC,气缸
产品ID:VIB20090926134743734
品  牌:STNC索诺天工
所在地:中国 上海
价  格:面议 (大量采购价格面议)
库存状态:货期待查
更新日期:2025-3-18 21:15:05
咨询电话:(+86)021-51699285
咨询Q Q: 2695337323
产品简述

200909/2009092309120520948.gif 公司已通过 ISO9001:2000国际质量体系认证、欧盟ROHS指令认证及CE认证、美国UL认证

 公司不断引进国际先进生产技术与设备,现有厂房 20000平方米,各类设备515台,其中数控车床76台,加工中心6台,精密自动轴芯机2台以及电脑控制检测设备3台、超声波清洗机2台,确保了高精度、高效率、高品质生产。


 

产品详情